INA bearings GAKFL 18 PW
GAKFL 18 PW PWhigh-quality INA bearing is desi gned for high load capacity and offers reliable performance in various applications.
Read More
INA Bearings
Model:GAKFL 20 PB
Dimensions(mm):20x40x25
Email: skfnskoyo@gmail.com
Payment: L/C, T/T, D/P, Money Gram, Western Union, Paypal
Sample: Free Samples Is Available
Delivery Terms: By Sea, Air Or Express-DHL,FedEx, TNT, UPS, EMS
We are a professional after-sales supplier of INA. The INA bearings undergo strict quality inspections before leaving the factory.
The Iuya Bearing Company exports approximately 80 million sets of bearings every year. We are a professional bearing supplier with a wide range of exported bearings and related products. We have a large inventory of INA bearings and related products. We offer high-quality and reasonably priced bearings, or we can produce high-quality bearings according to your technical parameter data or drawings. Bearings are widely used in automobiles, motors, gears, injection molding machines, machine tools, mining machinery, construction machinery, motorcycles, office equipment, paper machinery, pumps and compressors, wind turbines, etc.

Bearing number : GAKFL 20 PB
Size (mm) : 20x40x25
Brand : INA
Bore Diameter (mm) : 20
Outer Diameter (mm) : 40
Width (mm) : 25
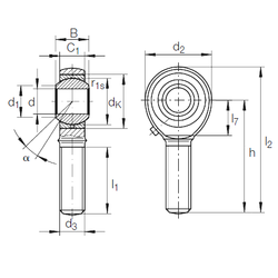
Bearing dimensions and specification in INA catalogue:
d - 20 mm
D - 40 mm
B - 25 mm
d1 - 24,3 mm
d2 - 50 mm
dk - 34,925 mm
h - 78 mm
l1 min. - 45 mm
l2 max. - 103 mm
l7 min. - 26 mm
r1 min. - 0,3 mm
C1 - 18 mm
Thread (G) - M20X1,5
Angle - 14 °
Weight - 0,38 Kg
Basic dynamic load rating (C) - 31,5 kN
Basic static load rating (C0) - 45,6 kN
Tags : INA IUA Bearing Co.,Limited.
GAKFL 18 PW PWhigh-quality INA bearing is desi gned for high load capacity and offers reliable performance in various applications.
Read MoreGAKFL 18 PB PWhigh-quality INA bearing is desi gned for high load capacity and offers reliable performance in various applications.
Read MoreGAKFL 16 PW PWhigh-quality INA bearing is desi gned for high load capacity and offers reliable performance in various applications.
Read MoreGAKFL 16 PB PWhigh-quality INA bearing is desi gned for high load capacity and offers reliable performance in various applications.
Read MoreRoom 3203, Mingzhu Business Port, Jingyi Road, Jinan City, Shandong Province